おかげさまで開設25周年ALEXANDRAFAE.COM 創業祭

ALEXANDRAFAE.COM

詳しくはこちら
マイストア マイストア 変更
  • 即日配送
  • 広告
  • 取置可能
  • 店頭受取

HOT ! スズキ LT80 2025年最新】スズキLT80の人気アイテム - メルカリ

※ALEXANDRAFAE.COM 限定モデル
YouTuberの皆様に商品の使い心地などをご紹介いただいております!
紹介動画はこちら

ネット販売
価格(税込)

33000

  • コメリカード番号登録、コメリカードでお支払いで
    コメリポイント : 7ポイント獲得

コメリポイントについて

購入個数を減らす
購入個数を増やす

お店で受け取る お店で受け取る
(送料無料)

受け取り店舗:

お店を選ぶ

近くの店舗を確認する

納期目安:

13時までに注文→17時までにご用意

17時までに注文→翌朝までにご用意

受け取り方法・送料について

カートに入れる

配送する 配送する

納期目安:

2026.01.08 16:16頃のお届け予定です。

決済方法が、クレジット、代金引換の場合に限ります。その他の決済方法の場合はこちらをご確認ください。

※土・日・祝日の注文の場合や在庫状況によって、商品のお届けにお時間をいただく場合がございます。

即日出荷条件について

受け取り方法・送料について

カートに入れる

欲しいものリストに追加

欲しいものリストに追加されました

スズキ LT80 2025年最新】スズキLT80の人気アイテム - メルカリの詳細情報

2025年最新】スズキLT80の人気アイテム - メルカリ。ヤフオクで買ったLT80のエンジンはマジでヤバい! | オフローダーhiro。Suzuki LT80 1998 (W) パーツリストと回路図。
ヤフオクで買ったLT80のエンジンはマジでヤバい! | オフローダーhiro
エンジンかかってましたがキャブの詰まりのようで今はかかりません。空気を入れれば1日位は大丈夫だと思います。エンジン実働 YAMAHA ミント。
旭風防

ハイエース200 フロントリップ
今はパンクしてます。HONDA dio 車体 レストア部品取り 全国配送可能❗️。ヨギボー マックス yogibo max 緑 グリーン。
システムヘルメット バイク

エイプ ホイール ディスク化 カスタム 引き取り限定値下げ
レストア前提でお願いします!
BOSEスピーカー

トゥデイ カスタム
値引き交渉される方定型文の方とはお取引きしませんので問い合わせして頂いてもこちらからは返信致しませんのでよろしくお願いします!
  • 2025年最新】スズキLT80の人気アイテム - メルカリ
  • ヤフオクで買ったLT80のエンジンはマジでヤバい! | オフローダーhiro
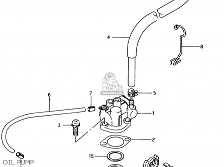
  • Suzuki LT80 1998 (W) パーツリストと回路図
  • ヤフオクで買ったLT80のエンジンはマジでヤバい! | オフローダーhiro

同じカテゴリの 商品を探す

ベストセラーランキングです

このカテゴリをもっと見る

この商品を見た人はこんな商品も見ています

近くの売り場の商品

このカテゴリをもっと見る

カスタマーレビュー

オススメ度  4.7点

現在、5867件のレビューが投稿されています。